你提供的照片可能用于改善必应图片处理服务。
隐私政策
|
使用条款
无法使用此链接。检查链接是否以 "http://" 或 "https://" 开头,然后重试。
无法处理此搜索。请尝试其他图像或关键字。
试用视觉搜索
使用图像搜索、识别对象和文本、翻译或解决问题
将一个或多个图像拖到此处,
上传图像
或
打开相机
将图像放到此处以开始搜索
要使用可视化搜索,请在浏览器中启用相机
English
全部
搜索
图片
灵感
创建
集合
视频
地图
资讯
更多
购物
航班
旅游
笔记本
自动播放所有 GIF
在这里更改自动播放及其他图像设置
自动播放所有 GIF
拨动开关以打开
自动播放 GIF
图片尺寸
全部
小
中
大
特大
至少... *
自定义宽度
x
自定义高度
像素
请为宽度和高度输入一个数字
颜色
全部
仅限颜色
黑白
类型
全部
照片
剪贴画
素描
动画 GIF
透明
版式
全部
方形
横版
高
人物
全部
仅脸部
半身像
日期
全部
过去 24 小时
过去一周
过去一个月
去年
授权
全部
所有创作共用
公共领域
免费分享和使用
在商业上免费分享和使用
免费修改、分享和使用
在商业上免费修改、分享和使用
详细了解
清除筛选条件
安全搜索:
中等
严格
中等(默认)
关闭
筛选器
2100×1750
www.instructables.com
DMX-512 - Instructables
1531×363
01mechatronics.com
DMX 512 - 01Mechatronics
800×600
learn.adafruit.com
DMX512 | Intro to DMX | Adafruit Learning System
1191×673
rxledlighting.com
DMX512 Decoder
826×586
oshwlab.com
DMX512_final - Platform for creating and sharing projects - OSHWLab
1024×517
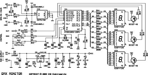
chd-el.cz
DMX-512 Bus Monitor – CHD Elektroservis
1269×1267
euchips.us
DMX512 SOLUTION
1280×720
shellysavonlea.net
Dmx Lighting Controller Programming | Shelly Lighting
580×400
ecolocityled.com
LED Tutorials - DMX LED Control Installation
1024×768
slideserve.com
PPT - DMX-512 Data Splitter PowerPoint Presentation, free download - ID:2404750
1280×931
goknight.com
MicroLite DMX-512 Receiver Programming Manual - GoKnight
800×1696
wiki.dfrobot.com.cn
DMX512
800×922
wiki.dfrobot.com.cn
DMX512
800×876
wiki.dfrobot.com.cn
DMX512
1280×720
shellysavonlea.net
Dmx Lighting Controller Programming Part 1 | Shelly Lighting
3000×2000
oceanproperty.co.th
Dmx 512 Logo Vast Selection | www.oceanproperty.co.th
1280×720
shellysavonlea.net
Dmx Lighting Controller Programming Part 1 | Shelly Lighting
1200×808
rover-seti.blogspot.com
Rover's Home: Что такое DMX512?
750×930
ledbe.com
768W RGBW 4CHs DMX51…
320×240
mecreeled.com
How to use DMX 512 controller? How to use D…
1680×1024
www.instructables.com
Arduino DMX 512 Tester and Controller ENG : 19 Steps - Instru…
800×600
maxpierson.me
Receive DMX-512 with an Arduino – Charrette & Beget
600×524
mediaboxent.com
How to program DMX controller 512 for beginner…
1024×664
mediaboxent.com
How to program DMX controller 512 for beginners - mediaboxent.com
928×590
comilandscapelighting.com
512 and 1024 channels USB-DMX controller (Off-line Pattern)-DMX512 Series-COMI Lighting Limit…
1280×720
mediaboxent.com
How to program DMX controller 512 for beginners - mediaboxent.com
554×546
en.lightsky.com.cn
How to Program DMX 512 for Stage Lighti…
1024×442
ledsmaster.com
Understanding the DMX 512 Controller – LedsMaster
1024×451
ledsmaster.com
Understanding the DMX 512 Controller – LedsMaster
1024×451
ledsmaster.com
Understanding the DMX 512 Controller – LedsMaster
320×240
slideshare.net
DMX-512 | PPTX
1360×1500
vozopca.com
DMX 512 Decoder Dimming DMX512 C…
474×355
tech10.es
️】DMX512 cómo programar tech10
1600×1127
blogspot.com
Electronic USB to DMX-512 Interface: February 2011
1169×827
easyeda.com
DMX_512_Arduino Resources - EasyEDA
某些结果已被隐藏,因为你可能无法访问这些结果。
显示无法访问的结果
查看更多图片
为你推荐的项目
广告
报告不当内容
请选择下列任一选项。
无关
低俗内容
成人
儿童性侵犯
反馈